Симптомы:
Люций писал(а):Только что исполнял, не заводился, приборка моргала, на кнопку выключения движки загоралась приборка, на включение гасла.
KD писал(а):Опять не качает насос, не заводится.
Проблемой оказывается силовое реле стартера, точнее, расположенный на нём предохранитель на 30А, с которого идёт питание на все системы мотоцикла (два Fusebox'a)
Люций писал(а):В итоге оказался предохранитель на стартерном реле окислился и делал мозг. Дренаж был забит .
Реле располагается под аккумулятором, при забитом отверстии дренажа там может скапливаться влага, что приводит к окислению контактов предохранителя, из-за чего при большом потреблении тока и плохом контакте падает напряжение на потребителях.
Для предотвращение подобной проблемы необходимо следить за чистотой и сухостью места расположения реле. Кто-то переносить его выше, над аккумулятором
Подобная проблема попадалась на старой Africa Twin 750.
Если вы в дороге и возникла эта проблема, простая чистка контактов предохранителя может не помочь, так как под действием влаги и тока разрушаются контакты разъёма, подающего питание на FuseBox'ы. Выглядеть это может примерно так:
или так
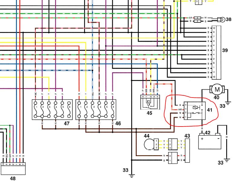
Конструкция и распиновка реле стартера примерно такая же
Пара силовых контактов для подачи питание на стартер - под винт/гайку с проводами большого сечения.
С того контакта, к которому подключен провод, идущий от аккумулятора, шина идёт к находящемуся рядом контакту предохранителя 30А,
Пара контактов (2) и (4) на картинке (по схеме это 1 и 2), электрически соединена между собой (одна металлическая шина), которая соединена со вторым контактом предохранителя. От этих контактов идут два провода к блокам предохранителей, раздающих питание на весь мотоцикл.
Пара (1) и (3) на картинке (по схеме это 3 и 4) - выводы обмотки реле стартера. На них подаётся питание при нажатии кнопки запуска двигателя на правом пульте руля. Они, скорее всего, не будут повреждены электрохимической коррозией.
В качестве решения проблемы разрушенных контактов предохранителя в путешествии или предотвращения её возникновения можно, наряду с переносом реле выше, заменить установленный на реле предохранитель отдельным, в герметичном держателе, подключив его одним выводом к клемме аккумулятора (контакту реле, подключенному к аккумулятору), а вторым - к проводам, идущим к FuseBox'ам.
Но лучше - следить за состоянием подаккумуляторного пространства :-)

